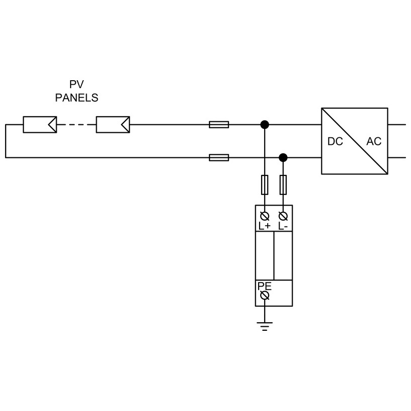
การป้องกัน DC ที่สร้างขึ้นเพื่อวัตถุประสงค์สำหรับอาร์เรย์ PV
ตัวจับไฟกระชากประเภท 2 เหล่านี้ปกป้องสตริง PV, busbars และอินพุตอินเวอร์เตอร์จากแรงดันไฟฟ้าเกินชั่วคราวที่เกิดจากเหตุการณ์ฟ้าผ่าหรือการสลับการดำเนินการ พวกเขามั่นใจได้ว่าการเชื่อมโยงทั้งสองด้านบวกและเชิงลบและช่วยรักษาระบบการทำงานของระบบในทุกระดับการป้องกันฟ้าผ่า (LPL I - IV)
การเชื่อมต่อ U หรือ Y เลือกสิ่งที่การออกแบบของคุณต้องการ
การเชื่อมต่อ U: โทโพโลยีการป้องกันทั่วไปสำหรับวงจร PV DC
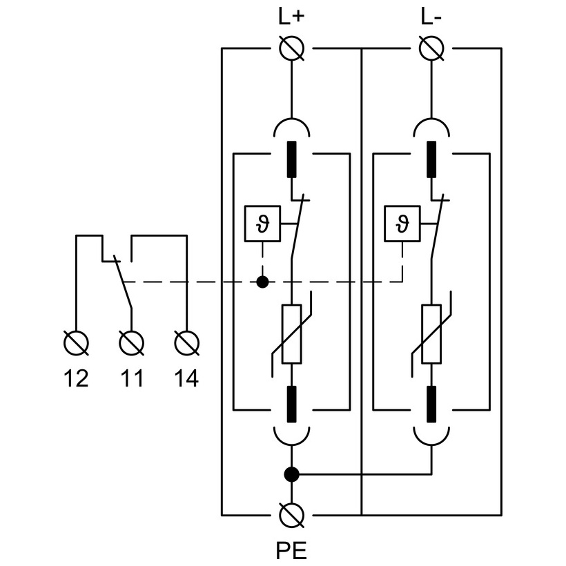
การเชื่อมต่อ Y: Varistors จัดเรียงเป็น PE ดังนั้นตัวนำที่ทำงานยังคงทนต่อโลกและมีกระแส (รั่วไหล) ที่เหลืออยู่เป็นศูนย์ผ่านตัวนำ PE ปรับปรุงพฤติกรรม EMC และลดเส้นทางกระแสไฟฟ้าที่น่ารำคาญให้น้อยที่สุด
ความปลอดภัยในตัว-ไม่จำเป็นต้องมีฟิวส์สำรอง
ส่วนต่าง ๆ ของ Varistor ระหว่าง L+, L- และ PE นั้นมีการติดตั้งแบบไม่เชื่อมต่อความร้อนภายใน เมื่อ Varistor มาถึงจุดสิ้นสุดของชีวิต (ความร้อนสูงเกินไป) การทัดร่วมการเดินทางจะแสดงความผิดพลาดอย่างเห็นได้ชัดและขัดจังหวะกระแส DC ต้องขอบคุณการก่อสร้างพิเศษของพวกเขาผู้จับกุมเหล่านี้สามารถติดตั้งได้โดยไม่ต้องมีฟิวส์สำรองแยกต่างหาก (ขึ้นอยู่กับการประสานงานระบบ)
การปรับใช้ที่ยืดหยุ่นโดยมีหรือไม่มี LPs ภายนอก
ติดตั้งที่ด้าน DC ของระบบ PV ไม่ว่าจะโดยไม่ต้องใช้ระบบป้องกันฟ้าผ่าภายนอก (LPS) หรือด้วย LPS เมื่อยังคงอยู่ในระยะการแยก“ S” ที่จำเป็น สิ่งนี้รองรับการบูรณาการที่ปลอดภัยในการสร้างใหม่และติดตั้งเพิ่มเติม
ตัวเลือกบริการและการตรวจสอบ
ตัวบ่งชี้ M: เวอร์ชันที่มีโมดูลป้องกัน (ปลั๊กอิน) ที่ถอดออกได้สำหรับการเปลี่ยนอย่างรวดเร็ว
ตัวบ่งชี้: เวอร์ชันที่มีการตรวจสอบระยะไกลสำหรับการส่งสัญญาณสถานะไปยังรีเลย์ SCADA/PLC/Alarm
แอปพลิเคชันทั่วไป
สตริง PV, กล่อง Combiner/Rem Combiner และอินพุต DC อินเวอร์เตอร์
การติดตั้ง PV ระดับสาธารณูปโภคการค้าและอุตสาหกรรมและบนดาดฟ้า
ไซต์ที่มีหรือไม่มี LPs ภายนอกที่พบระยะทางแยก“ S”
คุณสมบัติที่สำคัญอย่างรวดเร็ว
Type 2 Surge Arrester สำหรับระบบ PV DC (การเชื่อมต่อ U หรือ Y)
ความได้เปรียบในการเชื่อมต่อ y: ตัวนำที่ทำงานกันทั่วโลกและการรั่วไหลของ PE เป็นศูนย์
ตัวตัดการเชื่อมต่อความร้อนภายในบนเส้นทาง Varistor (L+, L-, PE)
การหยุดชะงักของ DC ในปัจจุบันเกี่ยวกับความผิด ไม่จำเป็นต้องใช้ฟิวส์สำรอง
เหมาะสำหรับทุกระดับ LPL สนับสนุนการผูกมัด equipotential
m = โมดูลที่ถอดออกได้; S = หน้าสัมผัสการตรวจสอบระยะไกล

